魔勋斯(上海)机械有限公司
电话:+86 175 1166 3238
电话:+86 150 2661 9531
邮箱:yuandi@moxuns.com
办公地址:中国上海市嘉定区嘉定工业区叶城路925号B区4栋J室
生产地址:天津市津南区八里台泰达 (津南) 微电子工业区科达五路5-1号

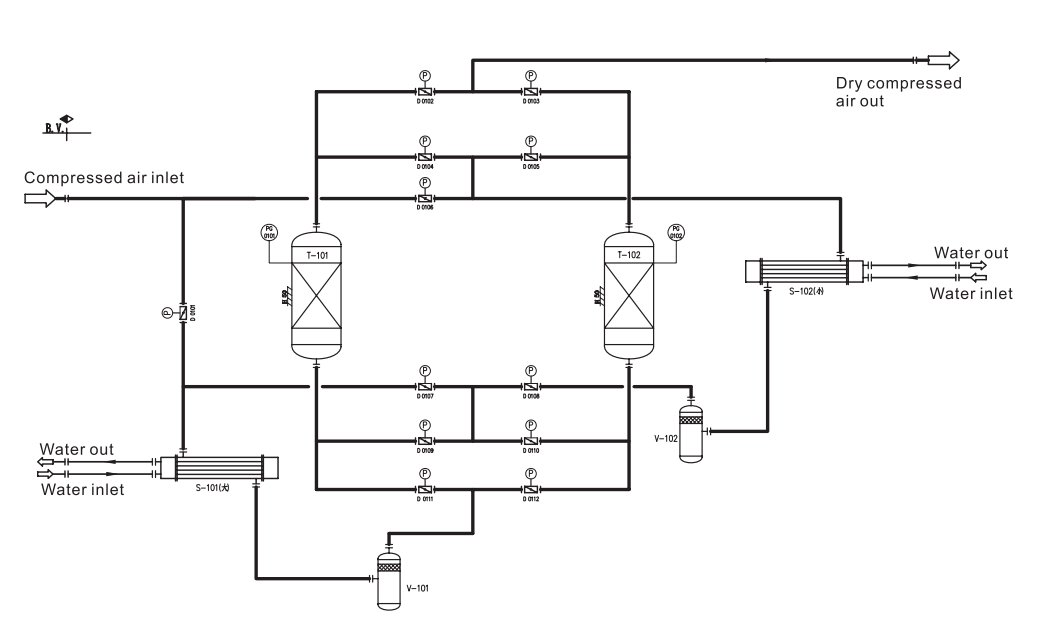
无吹扫热压缩空气干燥机是一种节能压缩空气处理产品,由以下几个部分组成
组件:2个备用吸附塔,2个后冷却器,2个液/气分离器,1套开关阀和1套控制系统。压缩空气进入吸附罐内,干燥剂吸附罐内的水分等进行再生,使之高温度压缩空气进入罐内解吸,然后用冷却压缩空气冷却干燥剂。所有的步骤由PLC控制,实现自动切换。可提供长期可靠的节能运行。
